Верхняя направляющая Armadillo Comfort N-1 60/80/1,8/6000 track (6 м)

Верхняя направляющая Armadillo Comfort N-1 60/80/1,8/6000 track (6 м)

Цена: 172.94 Под заказ
Цветовые решения
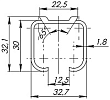
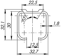
    • Верхняя направляющая для межкомнатных раздвижных дверей - это алюминиевый профиль для направления движения полотна. Конструкция профиля предотвращает провисание. Крепление осуществляется с помощью саморезов (не входят в комплектацию). Гарантия: 1 год.

    Основные характеристики изделия

    Производитель Armadillo
    Страна Россия
    Гарантия 1 год
    Длина 6000 мм
    Для дверей массы 60 кг
    Материал Алюминий

    Верх. напр.(6 м) Comfort R
    172.94 руб.